李工:138-8949-5179 刘工:135-0428-8802
型号查询
轴承型号   常见搜索: 6020轴承 22222轴承 617轴承 7014轴承 6010轴承 *轴承
型号查询 X

轴承专区

Bearings Center

16018 *轴承-SKF 16018 *轴承尺寸、图纸、价格

SKF 16018 *轴承

产品名称:16018 *轴承 品牌:SKF
类型:SKF轴承 > 滚动轴承 > 深沟球轴承
描述:16018 *轴承是【SKF轴承 > 滚动轴承 > 深沟球轴承】的型号,主要用在内燃机、燃汽轮机、汽车发动机、后轮、铁路车辆车轴、石油钻机、挤压机、玩具、解体机、数控设备等各大领域

 电话/微信:138-8949-5179

SKF 16018 *轴承详细信息

16018 *轴承是【SKF轴承 > 滚动轴承 > 深沟球轴承】的型号,主要用在内燃机、燃汽轮机、汽车发动机、后轮、铁路车辆车轴、石油钻机、挤压机、玩具、解体机、数控设备等各大领域。

SKF 16018 *轴承详细参数

深沟球轴承, 单列, 无密封件
主要数据尺寸基本负荷额定值疲劳负荷限值额定速度体积型号
动态静态参照速度限制速度
dDBCC0Pu * - SKF Explorer 轴承
mmkNkNr/minkg-
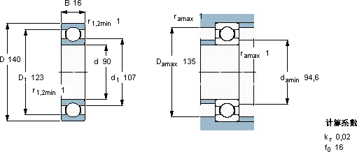
901401643,6391,561000063000,8516018 *

SKF 16018 *轴承尺寸图纸

李工:138-8949-5179

刘工:135-0428-8802

地址:辽宁省大连经济技术开发区现代城3栋-13-13号

在线客服系统