轴承专区
Bearings Center
PL 84轴承-SKF PL 84轴承尺寸、图纸、价格
SKF PL 84轴承
| 产品名称: | PL 84轴承 | 品牌: | SKF |
|---|---|---|---|
| 类型: | SKF轴承 > 滚动轴承 > 轴承附件 | ||
| 描述: | PL 84轴承是【SKF轴承 > 滚动轴承 > 轴承附件】的型号,主要用在后轮、空气压缩机、变速器、大型农业机械、造纸机械、汽车转向销、水力发电机、玩具、土方机械、焊接机器人等各大领域 | ||
电话/微信:138-8949-5179
SKF PL 84轴承详细信息
PL 84轴承是【SKF轴承 > 滚动轴承 > 轴承附件】的型号,主要用在后轮、空气压缩机、变速器、大型农业机械、造纸机械、汽车转向销、水力发电机、玩具、土方机械、焊接机器人等各大领域。
SKF PL 84轴承详细参数
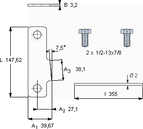
| P锁紧片夹, 英制尺寸 | ||||||
| 尺寸 | 体积 | 型号 | ||||
| 锁定板 | 适宜的锁定螺母 | |||||
| L | A1 | B | ||||
| mm | kg | - | ||||
| 147,62 | 39,67 | 3,2 | 0,2 | PL 84 | N 084 | |
SKF PL 84轴承尺寸图纸

