李工:138-8949-5179 刘工:135-0428-8802
型号查询
轴承型号   常见搜索: 6005轴承 6010轴承 71913轴承 6214轴承 1轴承 2026轴承
型号查询 X

轴承专区

Bearings Center

6206-ZNR *轴承-SKF 6206-ZNR *轴承尺寸、图纸、价格

SKF 6206-ZNR *轴承

产品名称:6206-ZNR *轴承 品牌:SKF
类型:SKF轴承 > 滚动轴承 > 深沟球轴承
描述:6206-ZNR *轴承是【SKF轴承 > 滚动轴承 > 深沟球轴承】的型号,主要用在仪表、各类变速器、变速器、铁路车辆、轧钢机齿轮箱座、机床主轴、碾煤机、玩具、混凝土机械、坦克等各大领域

 电话/微信:138-8949-5179

SKF 6206-ZNR *轴承详细信息

6206-ZNR *轴承是【SKF轴承 > 滚动轴承 > 深沟球轴承】的型号,主要用在仪表、各类变速器、变速器、铁路车辆、轧钢机齿轮箱座、机床主轴、碾煤机、玩具、混凝土机械、坦克等各大领域。

SKF 6206-ZNR *轴承详细参数

深沟球轴承, 单列,带止动环槽, 单面防尘罩
主要数据尺寸基本负荷额定值疲劳负荷限值额定速度体积型号
动态静态参照速度限制速度轴承止动环
(R = 带止动环)
dDBCC0Pu * - SKF Explorer 轴承
mmkNkNr/minkg-
30621620,311,20,47524000150000,206206-ZNR *SP 62

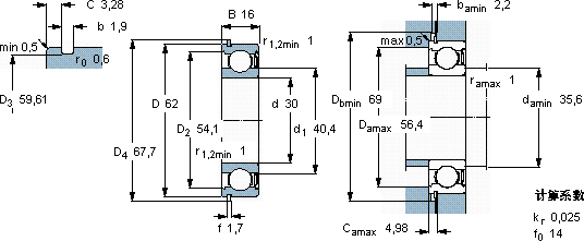
SKF 6206-ZNR *轴承尺寸图纸

李工:138-8949-5179

刘工:135-0428-8802

地址:辽宁省大连经济技术开发区现代城3栋-13-13号

在线客服系统