李工:138-8949-5179 刘工:135-0428-8802
型号查询
轴承型号   常见搜索: 6010轴承 6008轴承 6014轴承 6906轴承 6305轴承 6032轴承
型号查询 X

轴承专区

Bearings Center

2 x 7207 BEGAM *轴承-SKF 2 x 7207 BEGAM *轴承尺寸、图纸、价格

SKF 2 x 7207 BEGAM *轴承

产品名称:2 x 7207 BEGAM *轴承 品牌:SKF
类型:SKF轴承 > 滚动轴承 > 角接触球轴承
描述:2 x 7207 BEGAM *轴承是【SKF轴承 > 滚动轴承 > 角接触球轴承】的型号,主要用在装卸搬运机械、各类变速器、桥式起重机、铁路车辆、印刷机械、机床主轴、矿山、洗染、混凝土机械、摩天轮等各大领域

 电话/微信:138-8949-5179

SKF 2 x 7207 BEGAM *轴承详细信息

2 x 7207 BEGAM *轴承是【SKF轴承 > 滚动轴承 > 角接触球轴承】的型号,主要用在装卸搬运机械、各类变速器、桥式起重机、铁路车辆、印刷机械、机床主轴、矿山、洗染、混凝土机械、摩天轮等各大领域。

SKF 2 x 7207 BEGAM *轴承详细参数

角接触球轴承, 单列,用于配对安装, 面对面配对
主要数据尺寸基本负荷额定值疲劳负荷限值额定速度体积型号轴承配对
动态静态参照速度限制速度
dD2BCC0Pu * - SKF Explorer 轴承
mmkNkNr/minkg--
3572345141,51,769500120000,602 × 7207 BEGAM *DF

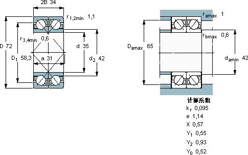
SKF 2 x 7207 BEGAM *轴承尺寸图纸

李工:138-8949-5179

刘工:135-0428-8802

地址:辽宁省大连经济技术开发区现代城3栋-13-13号

在线客服系统