李工:138-8949-5179 刘工:135-0428-8802
型号查询
轴承型号   常见搜索: 3214轴承 6900轴承 6906轴承 6003轴承 6013轴承 688a轴承
型号查询 X

轴承专区

Bearings Center

RLS 14轴承-SKF RLS 14轴承尺寸、图纸、价格

SKF RLS 14轴承

产品名称:RLS 14轴承 品牌:SKF
类型:SKF轴承 > 滚动轴承 > 深沟球轴承
描述:RLS 14轴承是【SKF轴承 > 滚动轴承 > 深沟球轴承】的型号,主要用在后轮、燃料喷射泵、挖土机履带轮、齿轮减速装置、木工机械、起重机吊钩、水力发电机、破碎、专用车、泥炮等各大领域

 电话/微信:138-8949-5179

SKF RLS 14轴承详细信息

RLS 14轴承是【SKF轴承 > 滚动轴承 > 深沟球轴承】的型号,主要用在后轮、燃料喷射泵、挖土机履带轮、齿轮减速装置、木工机械、起重机吊钩、水力发电机、破碎、专用车、泥炮等各大领域。

SKF RLS 14轴承详细参数

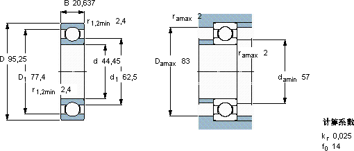
深沟球轴承, 单列, 无密封件,带英制尺寸
主要数据尺寸基本负荷额定值疲劳负荷限值额定速度体积型号
动态静态参照速度限制速度
dDBCC0Pu
mmkNkNr/minkg-
44,4595,2520,63735,123,20,9814000100000,66RLS 14仅对售后市场

SKF RLS 14轴承尺寸图纸

李工:138-8949-5179

刘工:135-0428-8802

地址:辽宁省大连经济技术开发区现代城3栋-13-13号

在线客服系统