李工:138-8949-5179 刘工:135-0428-8802
型号查询
轴承型号   常见搜索: 6006轴承 *轴承 3214轴承 617轴承 6906轴承 6309轴承
型号查询 X

轴承专区

Bearings Center

2 x 7219 BEGAM *轴承-SKF 2 x 7219 BEGAM *轴承尺寸、图纸、价格

SKF 2 x 7219 BEGAM *轴承

产品名称:2 x 7219 BEGAM *轴承 品牌:SKF
类型:SKF轴承 > 滚动轴承 > 角接触球轴承
描述:2 x 7219 BEGAM *轴承是【SKF轴承 > 滚动轴承 > 角接触球轴承】的型号,主要用在建筑机械、各类变速器、汽车发动机、铁路车辆、减速装置、机床等的变速装置、成形机、饮料设备、压路机、港口起重机等各大领域

 电话/微信:138-8949-5179

SKF 2 x 7219 BEGAM *轴承详细信息

2 x 7219 BEGAM *轴承是【SKF轴承 > 滚动轴承 > 角接触球轴承】的型号,主要用在建筑机械、各类变速器、汽车发动机、铁路车辆、减速装置、机床等的变速装置、成形机、饮料设备、压路机、港口起重机等各大领域。

SKF 2 x 7219 BEGAM *轴承详细参数

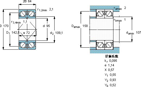
角接触球轴承, 单列,用于配对安装, 面对面配对
主要数据尺寸基本负荷额定值疲劳负荷限值额定速度体积型号轴承配对
动态静态参照速度限制速度
dD2BCC0Pu * - SKF Explorer 轴承
mmkNkNr/minkg--
95170642082368,65380048005,902 × 7219 BEGAM *DF

SKF 2 x 7219 BEGAM *轴承尺寸图纸

李工:138-8949-5179

刘工:135-0428-8802

地址:辽宁省大连经济技术开发区现代城3栋-13-13号

在线客服系统