轴承专区
Bearings Center
NJ 1017 ML轴承-SKF NJ 1017 ML轴承尺寸、图纸、价格
SKF NJ 1017 ML轴承
| 产品名称: | NJ 1017 ML轴承 | 品牌: | SKF |
|---|---|---|---|
| 类型: | SKF轴承 > 滚动轴承 > 圆柱滚子轴承 | ||
| 描述: | NJ 1017 ML轴承是【SKF轴承 > 滚动轴承 > 圆柱滚子轴承】的型号,主要用在家用电器、空气压缩机、变速器、大型农业机械、铁路车辆车轴、汽车转向销、塔吊、玩具、土方机械、雷达等各大领域 | ||
电话/微信:138-8949-5179
SKF NJ 1017 ML轴承详细信息
NJ 1017 ML轴承是【SKF轴承 > 滚动轴承 > 圆柱滚子轴承】的型号,主要用在家用电器、空气压缩机、变速器、大型农业机械、铁路车辆车轴、汽车转向销、塔吊、玩具、土方机械、雷达等各大领域。
SKF NJ 1017 ML轴承详细参数
| 圆柱滚子轴承, 单列, NJ 设计 | ||||||||||||
| 主要数据尺寸 | 基本负荷额定值 | 疲劳负荷限值 | 额定速度 | 体积 | 型号 | 适宜的斜挡圈 | ||||||
| 动态 | 静态 | 参照速度 | 限制速度 | 型号 | ||||||||
| d | D | B | C | C0 | Pu | |||||||
| mm | kN | kN | r/min | kg | - | - | ||||||
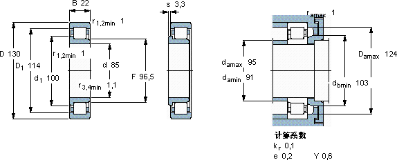
| 85 | 130 | 22 | 68,2 | 86,5 | 10,5 | 6000 | 9000 | 1,10 | NJ 1017 ML | - | ||
SKF NJ 1017 ML轴承尺寸图纸

