李工:138-8949-5179 刘工:135-0428-8802
型号查询
轴承型号   常见搜索: 6017轴承 6011轴承 6309轴承 6006轴承 6030轴承 6020轴承
型号查询 X

轴承专区

Bearings Center

23088 CAK/W33 + OH 3088 H *轴承-SKF 23088 CAK/W33 + OH 3088 H *轴承尺寸、图纸、价格

SKF 23088 CAK/W33 + OH 3088 H *轴承

产品名称:23088 CAK/W33 + OH 3088 H *轴承 品牌:SKF
类型:SKF轴承 > 滚动轴承 > 球面滚子轴承
描述:23088 CAK/W33 + OH 3088 H *轴承是【SKF轴承 > 滚动轴承 > 球面滚子轴承】的型号,主要用在建筑机械、罗茨鼓风机、变速器、建筑机械、破碎机、制铁制钢机械、成形机、医药设备、堆取料机、泥炮等各大领域

 电话/微信:138-8949-5179

SKF 23088 CAK/W33 + OH 3088 H *轴承详细信息

23088 CAK/W33 + OH 3088 H *轴承是【SKF轴承 > 滚动轴承 > 球面滚子轴承】的型号,主要用在建筑机械、罗茨鼓风机、变速器、建筑机械、破碎机、制铁制钢机械、成形机、医药设备、堆取料机、泥炮等各大领域。

SKF 23088 CAK/W33 + OH 3088 H *轴承详细参数

球面滚子轴承, 带紧定套的
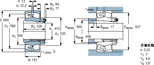
主要数据尺寸基本负荷额定值疲劳负荷限值额定速度体积型号
动态静态参照速度限制速度轴承 + 紧定套
d1DBCC0Pu
* - SKF Explorer 轴承
mmkNkNr/minkg-
41065015736506550450560100023523088 CAK/W33 + OH 3088 H *

SKF 23088 CAK/W33 + OH 3088 H *轴承尺寸图纸

李工:138-8949-5179

刘工:135-0428-8802

地址:辽宁省大连经济技术开发区现代城3栋-13-13号

在线客服系统