李工:138-8949-5179 刘工:135-0428-8802
型号查询
轴承型号   常见搜索: 6016轴承 6030轴承 6032轴承 6906轴承 6024轴承 71913轴承
型号查询 X

轴承专区

Bearings Center

619/1120 MB轴承-SKF 619/1120 MB轴承尺寸、图纸、价格

SKF 619/1120 MB轴承

产品名称:619/1120 MB轴承 品牌:SKF
类型:SKF轴承 > 滚动轴承 > 深沟球轴承
描述:619/1120 MB轴承是【SKF轴承 > 滚动轴承 > 深沟球轴承】的型号,主要用在铁路车辆、燃汽轮机、减速装置、后轮、振动筛、起重机吊钩、冶炼厂、钟表、强夯机、吹氧装置等各大领域

 电话/微信:138-8949-5179

SKF 619/1120 MB轴承详细信息

619/1120 MB轴承是【SKF轴承 > 滚动轴承 > 深沟球轴承】的型号,主要用在铁路车辆、燃汽轮机、减速装置、后轮、振动筛、起重机吊钩、冶炼厂、钟表、强夯机、吹氧装置等各大领域。

SKF 619/1120 MB轴承详细参数

深沟球轴承, 单列, 无密封件
主要数据尺寸基本负荷额定值疲劳负荷限值额定速度体积型号
动态静态参照速度限制速度
dDBCC0Pu
mmkNkNr/minkg-
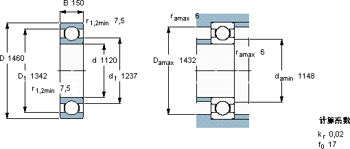
112014601501040310036,5600480650619/1120 MB

SKF 619/1120 MB轴承尺寸图纸

李工:138-8949-5179

刘工:135-0428-8802

地址:辽宁省大连经济技术开发区现代城3栋-13-13号

在线客服系统