李工:138-8949-5179 刘工:135-0428-8802
型号查询
轴承型号   常见搜索: 3214轴承 6906轴承 23136轴承 6024轴承 6026轴承 6205轴承
型号查询 X

轴承专区

Bearings Center

2 x 7207 BECBP *轴承-SKF 2 x 7207 BECBP *轴承尺寸、图纸、价格

SKF 2 x 7207 BECBP *轴承

产品名称:2 x 7207 BECBP *轴承 品牌:SKF
类型:SKF轴承 > 滚动轴承 > 角接触球轴承
描述:2 x 7207 BECBP *轴承是【SKF轴承 > 滚动轴承 > 角接触球轴承】的型号,主要用在通用电动机、离心分离机、减速装置、变速器、减速装置、制铁制钢机械、轧钢机轧制螺杆用减速机、薄膜拉伸、堆取料机、太阳能发电设备等各大领域

 电话/微信:138-8949-5179

SKF 2 x 7207 BECBP *轴承详细信息

2 x 7207 BECBP *轴承是【SKF轴承 > 滚动轴承 > 角接触球轴承】的型号,主要用在通用电动机、离心分离机、减速装置、变速器、减速装置、制铁制钢机械、轧钢机轧制螺杆用减速机、薄膜拉伸、堆取料机、太阳能发电设备等各大领域。

SKF 2 x 7207 BECBP *轴承详细参数

角接触球轴承, 单列,用于配对安装, 面对面配对
主要数据尺寸基本负荷额定值疲劳负荷限值额定速度体积型号轴承配对
动态静态参照速度限制速度
dD2BCC0Pu * - SKF Explorer 轴承
mmkNkNr/minkg--
3572345141,51,769500120000,562 × 7207 BECBP *DF

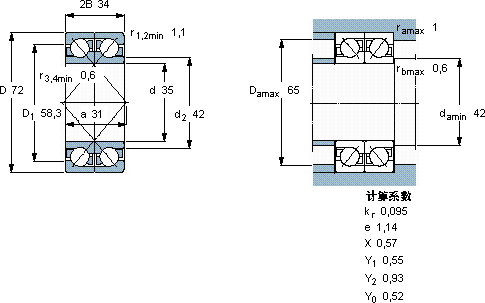
SKF 2 x 7207 BECBP *轴承尺寸图纸

李工:138-8949-5179

刘工:135-0428-8802

地址:辽宁省大连经济技术开发区现代城3栋-13-13号

在线客服系统