轴承专区
Bearings Center
6308 *轴承-SKF 6308 *轴承尺寸、图纸、价格
SKF 6308 *轴承
| 产品名称: | 6308 *轴承 | 品牌: | SKF |
|---|---|---|---|
| 类型: | SKF轴承 > 滚动轴承 > 深沟球轴承 | ||
| 描述: | 6308 *轴承是【SKF轴承 > 滚动轴承 > 深沟球轴承】的型号,主要用在通用电动机、印刷机械、桥式起重机、轧钢机辊颈、印刷机械、制铁制钢机械、轧钢机轧制螺杆用减速机、玩具、堆取料机、刮泥机等各大领域 | ||
电话/微信:138-8949-5179
SKF 6308 *轴承详细信息
6308 *轴承是【SKF轴承 > 滚动轴承 > 深沟球轴承】的型号,主要用在通用电动机、印刷机械、桥式起重机、轧钢机辊颈、印刷机械、制铁制钢机械、轧钢机轧制螺杆用减速机、玩具、堆取料机、刮泥机等各大领域。
SKF 6308 *轴承详细参数
| 深沟球轴承, 单列, 无密封件 | |||||||||||
| 主要数据尺寸 | 基本负荷额定值 | 疲劳负荷限值 | 额定速度 | 体积 | 型号 | ||||||
| 动态 | 静态 | 参照速度 | 限制速度 | ||||||||
| d | D | B | C | C0 | Pu | * - SKF Explorer 轴承 | |||||
| mm | kN | kN | r/min | kg | - | ||||||
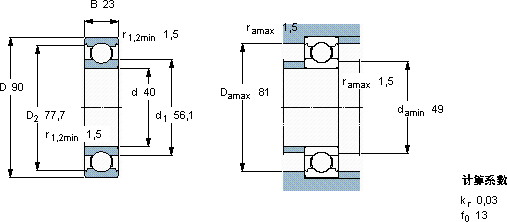
| 40 | 90 | 23 | 42,3 | 24 | 1,02 | 17000 | 11000 | 0,63 | 6308 * | ||
SKF 6308 *轴承尺寸图纸

