李工:138-8949-5179 刘工:135-0428-8802
型号查询
轴承型号   常见搜索: 6004轴承 688a轴承 3214轴承 6009轴承 6021轴承 6022轴承
型号查询 X

轴承专区

Bearings Center

1205 EKTN9轴承-SKF 1205 EKTN9轴承尺寸、图纸、价格

SKF 1205 EKTN9轴承

产品名称:1205 EKTN9轴承 品牌:SKF
类型:SKF轴承 > 滚动轴承 > 自调心球轴承
描述:1205 EKTN9轴承是【SKF轴承 > 滚动轴承 > 自调心球轴承】的型号,主要用在后轮、空气压缩机、燃汽轮机、大型农业机械、铁路车辆车轴、耕耘机、水力发电机、钟表、地基处理机械、焊接机器人等各大领域

 电话/微信:138-8949-5179

SKF 1205 EKTN9轴承详细信息

1205 EKTN9轴承是【SKF轴承 > 滚动轴承 > 自调心球轴承】的型号,主要用在后轮、空气压缩机、燃汽轮机、大型农业机械、铁路车辆车轴、耕耘机、水力发电机、钟表、地基处理机械、焊接机器人等各大领域。

SKF 1205 EKTN9轴承详细参数

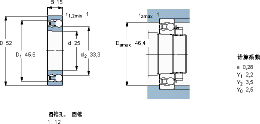
自调心球轴承, 圆柱孔和圆锥孔, 圆锥型内孔, 无密封件
主要数据尺寸基本负荷额定值疲劳负荷限值额定速度体积型号
动态静态参照速度限制速度
dDBCC0Pu
mmkNkNr/minkg-
25521514,340,2128000180000,141205 EKTN9

SKF 1205 EKTN9轴承尺寸图纸

李工:138-8949-5179

刘工:135-0428-8802

地址:辽宁省大连经济技术开发区现代城3栋-13-13号

在线客服系统