轴承专区
Bearings Center
FYRP 1.15/16 H轴承-SKF FYRP 1.15/16 H轴承尺寸、图纸、价格
SKF FYRP 1.15/16 H轴承
| 产品名称: | FYRP 1.15/16 H轴承 | 品牌: | SKF |
|---|---|---|---|
| 类型: | SKF轴承 > 轴承单元 > 法兰滚子轴承单元 | ||
| 描述: | FYRP 1.15/16 H轴承是【SKF轴承 > 轴承单元 > 法兰滚子轴承单元】的型号,主要用在飞机喷气式发动机、燃汽轮机、桥式起重机、后轮、木工机械、石油钻机、燃机、医药设备、给料机械、钢包回转台等各大领域 | ||
电话/微信:138-8949-5179
SKF FYRP 1.15/16 H轴承详细信息
FYRP 1.15/16 H轴承是【SKF轴承 > 轴承单元 > 法兰滚子轴承单元】的型号,主要用在飞机喷气式发动机、燃汽轮机、桥式起重机、后轮、木工机械、石油钻机、燃机、医药设备、给料机械、钢包回转台等各大领域。
SKF FYRP 1.15/16 H轴承详细参数
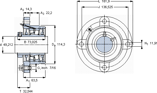
| 带法兰的滚子轴承单元, 锁定套和插口,用于英制的轴, locating units, general conditions (double-lip seals) | |||||||||||
| 尺寸 | 尺寸 [英寸] | 限制速度 | 质量 | 型号 | 轴承,基本型号 | ||||||
| 动态 | 静态 | ||||||||||
| da | A1 | J | L | T | C | C0 | |||||
| mm | kN | r/min | kg | - | - | ||||||
| 49,212 | 63,5 | 136,525 | 161,9 | 32,544 | 84,5 | 100 | 2400 | 3,72 | FYRP 1.15/16 H | 22210 | |
SKF FYRP 1.15/16 H轴承尺寸图纸

