李工:138-8949-5179 刘工:135-0428-8802
型号查询
轴承型号   常见搜索: 6032轴承 6007轴承 6004轴承 32313轴承 6013轴承 6026轴承
型号查询 X

轴承专区

Bearings Center

HMV 77E轴承-SKF HMV 77E轴承尺寸、图纸、价格

SKF HMV 77E轴承

产品名称:HMV 77E轴承 品牌:SKF
类型:SKF轴承 > 滚动轴承 > 轴承附件
描述:HMV 77E轴承是【SKF轴承 > 滚动轴承 > 轴承附件】的型号,主要用在仪表、罗茨鼓风机、纺织机械传动轴、建筑机械、破碎机、石油钻机转环、碾煤机、破碎、凿岩机械、厨具设备等各大领域

 电话/微信:138-8949-5179

SKF HMV 77E轴承详细信息

HMV 77E轴承是【SKF轴承 > 滚动轴承 > 轴承附件】的型号,主要用在仪表、罗茨鼓风机、纺织机械传动轴、建筑机械、破碎机、石油钻机转环、碾煤机、破碎、凿岩机械、厨具设备等各大领域。

SKF HMV 77E轴承详细参数

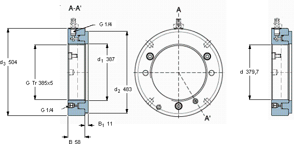
Hydraulic nuts, metric sizes
螺纹尺寸尺寸PermittedPiston area体积型号
piston
Gd1d2d3BB1displacement
mmmm (metric sizes)mmmmmm2 (metric sizes)kg-
in - threads/in (inch sizes)in2 (inch sizes)
385Tr 385x53874835045811163470041,0HMV 77EHMV 77E/A101

SKF HMV 77E轴承尺寸图纸

李工:138-8949-5179

刘工:135-0428-8802

地址:辽宁省大连经济技术开发区现代城3栋-13-13号

在线客服系统