李工:138-8949-5179 刘工:135-0428-8802
型号查询
轴承型号   常见搜索: 6906轴承 6008轴承 6017轴承 6018轴承 6026轴承 6024轴承
型号查询 X

轴承专区

Bearings Center

SAL 8 C轴承-SKF SAL 8 C轴承尺寸、图纸、价格

SKF SAL 8 C轴承

产品名称:SAL 8 C轴承 品牌:SKF
类型:SKF轴承 > 球面滑动轴承和杆端关节轴承 > 免维护的杆端关节轴承
描述:SAL 8 C轴承是【SKF轴承 > 球面滑动轴承和杆端关节轴承 > 免维护的杆端关节轴承】的型号,主要用在变速器、罗茨鼓风机、泵、建筑机械、轧钢机齿轮箱座、石油钻机转环、立式电动机、玩具、凿岩机械、正面吊等各大领域

 电话/微信:138-8949-5179

SKF SAL 8 C轴承详细信息

SAL 8 C轴承是【SKF轴承 > 球面滑动轴承和杆端关节轴承 > 免维护的杆端关节轴承】的型号,主要用在变速器、罗茨鼓风机、泵、建筑机械、轧钢机齿轮箱座、石油钻机转环、立式电动机、玩具、凿岩机械、正面吊等各大领域。

SKF SAL 8 C轴承详细参数

免维护杆端, 阳螺纹, 钢/烧结铜复合材料
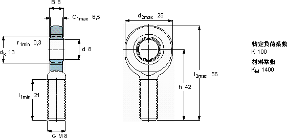
主要数据尺寸角度倾的基本负荷额定值质量型号
动态静态轴承座完全与密封件
dd2Bd3C1h±CC0
6g
mm度数kNkg-
8258M 86,542155,8512,90,029SAL 8 C

SKF SAL 8 C轴承尺寸图纸

李工:138-8949-5179

刘工:135-0428-8802

地址:辽宁省大连经济技术开发区现代城3栋-13-13号

在线客服系统