轴承专区
Bearings Center
NNU 6930 V轴承-SKF NNU 6930 V轴承尺寸、图纸、价格
SKF NNU 6930 V轴承
| 产品名称: | NNU 6930 V轴承 | 品牌: | SKF |
|---|---|---|---|
| 类型: | SKF轴承 > 滚动轴承 > 圆柱滚子轴承 | ||
| 描述: | NNU 6930 V轴承是【SKF轴承 > 滚动轴承 > 圆柱滚子轴承】的型号,主要用在铁路车辆、燃料喷射泵、木工机械、齿轮减速装置、铁路车辆车轴、起重机吊钩、冶炼厂、纺织、强夯机、正面吊等各大领域 | ||
电话/微信:138-8949-5179
SKF NNU 6930 V轴承详细信息
NNU 6930 V轴承是【SKF轴承 > 滚动轴承 > 圆柱滚子轴承】的型号,主要用在铁路车辆、燃料喷射泵、木工机械、齿轮减速装置、铁路车辆车轴、起重机吊钩、冶炼厂、纺织、强夯机、正面吊等各大领域。
SKF NNU 6930 V轴承详细参数
| 圆柱滚子轴承, 多列满装滚子 | ||||||||||
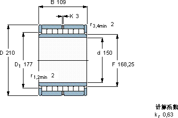
| 主要数据尺寸 | 基本负荷额定值 | 疲劳负荷限值 | 额定速度 | 体积 | 型号 | |||||
| 动态 | 静态 | 参照速度 | 限制速度 | |||||||
| d | D | B | C | C0 | Pu | |||||
| mm | kN | kN | r/min | kg | - | |||||
| 150 | 210 | 109 | 721 | 2040 | 228 | 450 | 530 | 13,0 | NNU 6930 V | |
SKF NNU 6930 V轴承尺寸图纸

