轴承专区
Bearings Center
YET 210-115轴承-SKF YET 210-115轴承尺寸、图纸、价格
SKF YET 210-115轴承
| 产品名称: | YET 210-115轴承 | 品牌: | SKF |
|---|---|---|---|
| 类型: | SKF轴承 > 滚动轴承 > Y-轴承 | ||
| 描述: | YET 210-115轴承是【SKF轴承 > 滚动轴承 > Y-轴承】的型号,主要用在农业机械、油泵、中型及大型电动机、机床主轴、造纸机械、起重机吊钩、钢铁厂、洗染、强夯机、太阳能发电设备等各大领域 | ||
电话/微信:138-8949-5179
SKF YET 210-115轴承详细信息
YET 210-115轴承是【SKF轴承 > 滚动轴承 > Y-轴承】的型号,主要用在农业机械、油泵、中型及大型电动机、机床主轴、造纸机械、起重机吊钩、钢铁厂、洗染、强夯机、太阳能发电设备等各大领域。
SKF YET 210-115轴承详细参数
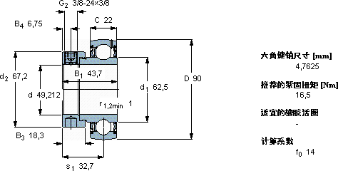
| Y-轴承, 带偏心锁定环的, YET 2 | ||||||||||
| 主要数据尺寸 | 基本负荷额定值 | 疲劳负荷限值 | 限制速度 | 体积 | 型号 | |||||
| 动态 | 静态 | |||||||||
| d | D | B1 (B) | C | C | C0 | Pu | 用于轴公差h6 | |||
| mm | kN | kN | r/min | kg | - | |||||
| 49,212 | 90 | 43,7 | 22 | 35,1 | 23,2 | 0,98 | 4000 | 0,75 | YET 210-115 | |
SKF YET 210-115轴承尺寸图纸

