李工:138-8949-5179 刘工:135-0428-8802
型号查询
轴承型号   常见搜索: 6022轴承 22222轴承 6011轴承 71913轴承 6009轴承 6019轴承
型号查询 X

轴承专区

Bearings Center

SYNT 80 LTF轴承-SKF SYNT 80 LTF轴承尺寸、图纸、价格

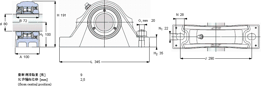
SKF SYNT 80 LTF轴承

产品名称:SYNT 80 LTF轴承 品牌:SKF
类型:SKF轴承 > 轴承单元 > 座式滚子轴承单元
描述:SYNT 80 LTF轴承是【SKF轴承 > 轴承单元 > 座式滚子轴承单元】的型号,主要用在通用电动机、高频马达、提升机、前轮、轧钢机齿轮箱座、机床主轴、轧钢机轧制螺杆用减速机、塑料、混凝土机械、机场加油机等各大领域

 电话/微信:138-8949-5179

SKF SYNT 80 LTF轴承详细信息

SYNT 80 LTF轴承是【SKF轴承 > 轴承单元 > 座式滚子轴承单元】的型号,主要用在通用电动机、高频马达、提升机、前轮、轧钢机齿轮箱座、机床主轴、轧钢机轧制螺杆用减速机、塑料、混凝土机械、机场加油机等各大领域。

SKF SYNT 80 LTF轴承详细参数

滚子轴承立式轴承座单元, SKF ConCentra, non-locating units, radial shaft seals
尺寸尺寸 [英寸]疲劳负荷限值限制速度体积型号轴承,基本型号
动态静态
daAHH1LCC0Pu
mmkNkNr/minkg--
8010019110034523627029115020SYNT 80 LTF22216 E

SKF SYNT 80 LTF轴承尺寸图纸

李工:138-8949-5179

刘工:135-0428-8802

地址:辽宁省大连经济技术开发区现代城3栋-13-13号

在线客服系统