李工:138-8949-5179 刘工:135-0428-8802
型号查询
轴承型号   常见搜索: 6909轴承 688a轴承 6012轴承 2025轴承 3214轴承 6021轴承
型号查询 X

轴承专区

Bearings Center

SAKAC 18 M轴承-SKF SAKAC 18 M轴承尺寸、图纸、价格

SKF SAKAC 18 M轴承

产品名称:SAKAC 18 M轴承 品牌:SKF
类型:SKF轴承 > 球面滑动轴承和杆端关节轴承 > 需维护的杆端关节轴承
描述:SAKAC 18 M轴承是【SKF轴承 > 球面滑动轴承和杆端关节轴承 > 需维护的杆端关节轴承】的型号,主要用在后轮、油泵、纺织机械传动轴、机床主轴、木工机械、石油钻机、水力发电机、玩具、解体机、港口起重机等各大领域

 电话/微信:138-8949-5179

SKF SAKAC 18 M轴承详细信息

SAKAC 18 M轴承是【SKF轴承 > 球面滑动轴承和杆端关节轴承 > 需维护的杆端关节轴承】的型号,主要用在后轮、油泵、纺织机械传动轴、机床主轴、木工机械、石油钻机、水力发电机、玩具、解体机、港口起重机等各大领域。

SKF SAKAC 18 M轴承详细参数

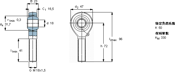
需要维护的杆端, 钢对青铜,阳螺纹
主要数据尺寸角度倾的基本负荷额定值质量型号
动态静态轴承座完全与
dd2Bd3C1h±CC0
6g
mm度数kNkg-
184723M 18x1,516,5721526290,29SAKAC 18 M

SKF SAKAC 18 M轴承尺寸图纸

李工:138-8949-5179

刘工:135-0428-8802

地址:辽宁省大连经济技术开发区现代城3栋-13-13号

在线客服系统