李工:138-8949-5179 刘工:135-0428-8802
型号查询
轴承型号   常见搜索: 6016轴承 6022轴承 2026轴承 23136轴承 6011轴承 6010轴承
型号查询 X

轴承专区

Bearings Center

60/630 N1MBS轴承-SKF 60/630 N1MBS轴承尺寸、图纸、价格

SKF 60/630 N1MBS轴承

产品名称:60/630 N1MBS轴承 品牌:SKF
类型:SKF轴承 > 滚动轴承 > 深沟球轴承
描述:60/630 N1MBS轴承是【SKF轴承 > 滚动轴承 > 深沟球轴承】的型号,主要用在通用电动机、离心分离机、提升机、变速器、各类产业用减速机、石油钻机转环、轧钢机轧制螺杆用减速机、洗染、凿岩机械、太阳能发电设备等各大领域

 电话/微信:138-8949-5179

SKF 60/630 N1MBS轴承详细信息

60/630 N1MBS轴承是【SKF轴承 > 滚动轴承 > 深沟球轴承】的型号,主要用在通用电动机、离心分离机、提升机、变速器、各类产业用减速机、石油钻机转环、轧钢机轧制螺杆用减速机、洗染、凿岩机械、太阳能发电设备等各大领域。

SKF 60/630 N1MBS轴承详细参数

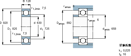
深沟球轴承, 单列, 于外圈的一个带定位槽
主要数据尺寸基本负荷额定值疲劳负荷限值额定速度体积型号
动态静态参照速度限制速度
dDBCC0Pu
mmkNkNr/minkg-
6309201288191760271200100028560/630 N1MBS

SKF 60/630 N1MBS轴承尺寸图纸

李工:138-8949-5179

刘工:135-0428-8802

地址:辽宁省大连经济技术开发区现代城3栋-13-13号

在线客服系统