李工:138-8949-5179 刘工:135-0428-8802
型号查询
轴承型号   常见搜索: 6030轴承 6024轴承 23136轴承 6003轴承 6015轴承 2026轴承
型号查询 X

轴承专区

Bearings Center

SILKB 10 F轴承-SKF SILKB 10 F轴承尺寸、图纸、价格

SKF SILKB 10 F轴承

产品名称:SILKB 10 F轴承 品牌:SKF
类型:SKF轴承 > 球面滑动轴承和杆端关节轴承 > 免维护的杆端关节轴承
描述:SILKB 10 F轴承是【SKF轴承 > 球面滑动轴承和杆端关节轴承 > 免维护的杆端关节轴承】的型号,主要用在装卸搬运机械、差速器小齿轮轴、桥式起重机、小齿轮轴、减速装置、机床主轴、矿山、制鞋、混凝土机械、风力发电设备等各大领域

 电话/微信:138-8949-5179

SKF SILKB 10 F轴承详细信息

SILKB 10 F轴承是【SKF轴承 > 球面滑动轴承和杆端关节轴承 > 免维护的杆端关节轴承】的型号,主要用在装卸搬运机械、差速器小齿轮轴、桥式起重机、小齿轮轴、减速装置、机床主轴、矿山、制鞋、混凝土机械、风力发电设备等各大领域。

SKF SILKB 10 F轴承详细参数

免维护杆端, 阴螺纹, 钢/PTFE复合材料
主要数据尺寸角度倾的基本负荷额定值质量型号
动态静态轴承座完全与密封件
dd2Bd3C1h1±CC0
6H
mm度数kNkg-
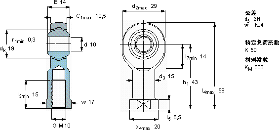
102914M 1010,543139,814,30,079SILKB 10 F

SKF SILKB 10 F轴承尺寸图纸

李工:138-8949-5179

刘工:135-0428-8802

地址:辽宁省大连经济技术开发区现代城3栋-13-13号

在线客服系统