李工:138-8949-5179 刘工:135-0428-8802
型号查询
轴承型号   常见搜索: 6205轴承 6019轴承 6309轴承 6009轴承 6900轴承 6909轴承
型号查询 X

轴承专区

Bearings Center

2 x 7305 BEGAP *轴承-SKF 2 x 7305 BEGAP *轴承尺寸、图纸、价格

SKF 2 x 7305 BEGAP *轴承

产品名称:2 x 7305 BEGAP *轴承 品牌:SKF
类型:SKF轴承 > 滚动轴承 > 角接触球轴承
描述:2 x 7305 BEGAP *轴承是【SKF轴承 > 滚动轴承 > 角接触球轴承】的型号,主要用在飞机喷气式发动机、燃汽轮机、挖土机履带轮、后轮、造纸机械、起重机吊钩、燃机、制鞋、强夯机、钢包回转台等各大领域

 电话/微信:138-8949-5179

SKF 2 x 7305 BEGAP *轴承详细信息

2 x 7305 BEGAP *轴承是【SKF轴承 > 滚动轴承 > 角接触球轴承】的型号,主要用在飞机喷气式发动机、燃汽轮机、挖土机履带轮、后轮、造纸机械、起重机吊钩、燃机、制鞋、强夯机、钢包回转台等各大领域。

SKF 2 x 7305 BEGAP *轴承详细参数

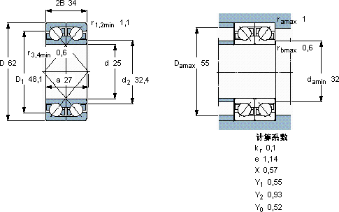
角接触球轴承, 单列,用于配对安装, 面对面配对
主要数据尺寸基本负荷额定值疲劳负荷限值额定速度体积型号轴承配对
动态静态参照速度限制速度
dD2BCC0Pu * - SKF Explorer 轴承
mmkNkNr/minkg--
25623442,530,51,2912000150000,462 × 7305 BEGAP *DF

SKF 2 x 7305 BEGAP *轴承尺寸图纸

李工:138-8949-5179

刘工:135-0428-8802

地址:辽宁省大连经济技术开发区现代城3栋-13-13号

在线客服系统