李工:138-8949-5179 刘工:135-0428-8802
型号查询
轴承型号   常见搜索: 6021轴承 22222轴承 6018轴承 6006轴承 6012轴承 6024轴承
型号查询 X

轴承专区

Bearings Center

SAL 50 ES-2RS轴承-SKF SAL 50 ES-2RS轴承尺寸、图纸、价格

SKF SAL 50 ES-2RS轴承

产品名称:SAL 50 ES-2RS轴承 品牌:SKF
类型:SKF轴承 > 球面滑动轴承和杆端关节轴承 > 需维护的杆端关节轴承
描述:SAL 50 ES-2RS轴承是【SKF轴承 > 球面滑动轴承和杆端关节轴承 > 需维护的杆端关节轴承】的型号,主要用在通用电动机、各类变速器、桥式起重机、铁路车辆、印刷机械、机床主轴、轧钢机轧制螺杆用减速机、纺织、挖掘机、太阳能发电设备等各大领域

 电话/微信:138-8949-5179

SKF SAL 50 ES-2RS轴承详细信息

SAL 50 ES-2RS轴承是【SKF轴承 > 球面滑动轴承和杆端关节轴承 > 需维护的杆端关节轴承】的型号,主要用在通用电动机、各类变速器、桥式起重机、铁路车辆、印刷机械、机床主轴、轧钢机轧制螺杆用减速机、纺织、挖掘机、太阳能发电设备等各大领域。

SKF SAL 50 ES-2RS轴承详细参数

需要维护的杆端, 钢对钢,阳螺纹, 两面密封件
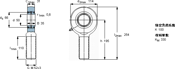
主要数据尺寸角度倾的基本负荷额定值质量型号
动态静态杆端带右或左旋螺纹
dd2Bd3C1h±CC0
6g
mm度数kNkg-
5011435M 52x33119561562453,70SAL 50 ES-2RS

SKF SAL 50 ES-2RS轴承尺寸图纸

李工:138-8949-5179

刘工:135-0428-8802

地址:辽宁省大连经济技术开发区现代城3栋-13-13号

在线客服系统