轴承专区
Bearings Center
BVNB 328362/HA1轴承-SKF BVNB 328362/HA1轴承尺寸、图纸、价格
SKF BVNB 328362/HA1轴承
| 产品名称: | BVNB 328362/HA1轴承 | 品牌: | SKF |
|---|---|---|---|
| 类型: | SKF轴承 > 滚动轴承 > 圆柱滚子和圆锥滚子组合轴承 | ||
| 描述: | BVNB 328362/HA1轴承是【SKF轴承 > 滚动轴承 > 圆柱滚子和圆锥滚子组合轴承】的型号,主要用在铁路车辆、燃汽轮机、汽车发动机、后轮、铁路车辆车轴、石油钻机、冶炼厂、塑料、给料机械、吹氧装置等各大领域 | ||
电话/微信:138-8949-5179
SKF BVNB 328362/HA1轴承详细信息
BVNB 328362/HA1轴承是【SKF轴承 > 滚动轴承 > 圆柱滚子和圆锥滚子组合轴承】的型号,主要用在铁路车辆、燃汽轮机、汽车发动机、后轮、铁路车辆车轴、石油钻机、冶炼厂、塑料、给料机械、吹氧装置等各大领域。
SKF BVNB 328362/HA1轴承详细参数
| 组合式圆柱滚子轴承/圆锥滚子轴承, 组合式圆柱滚子轴承/圆锥滚子轴承 | |||||||||||
| 主要数据尺寸 | 基本负荷额定值(1列) | 疲劳限值(1列) | 体积 | 型号 | |||||||
| 径向 | 轴向 | ||||||||||
| 动态 | 静态 | 动态 | 静态 | 径向 | 轴向 | ||||||
| d | D | B | C | C0 | C | C0 | Pu | Pu | |||
| mm | kN | kN | kg | - | |||||||
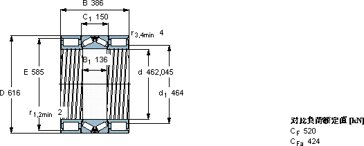
| 462,045 | 616 | 386 | 1940 | 4000 | 1800 | 7350 | 325 | 550 | 335 | BVNB 328362/HA1 | |
SKF BVNB 328362/HA1轴承尺寸图纸

