李工:138-8949-5179 刘工:135-0428-8802
型号查询
轴承型号   常见搜索: 6024轴承 6017轴承 6016轴承 6015轴承 6906轴承 6018轴承
型号查询 X

轴承专区

Bearings Center

SIL 25 ES轴承-SKF SIL 25 ES轴承尺寸、图纸、价格

SKF SIL 25 ES轴承

产品名称:SIL 25 ES轴承 品牌:SKF
类型:SKF轴承 > 球面滑动轴承和杆端关节轴承 > 需维护的杆端关节轴承
描述:SIL 25 ES轴承是【SKF轴承 > 球面滑动轴承和杆端关节轴承 > 需维护的杆端关节轴承】的型号,主要用在铁路车辆、机床主轴、挖土机履带轮、汽车、轧钢机辊道子、耕耘机、冶炼厂、精细化工机械、平地机、机械手等各大领域

 电话/微信:138-8949-5179

SKF SIL 25 ES轴承详细信息

SIL 25 ES轴承是【SKF轴承 > 球面滑动轴承和杆端关节轴承 > 需维护的杆端关节轴承】的型号,主要用在铁路车辆、机床主轴、挖土机履带轮、汽车、轧钢机辊道子、耕耘机、冶炼厂、精细化工机械、平地机、机械手等各大领域。

SKF SIL 25 ES轴承详细参数

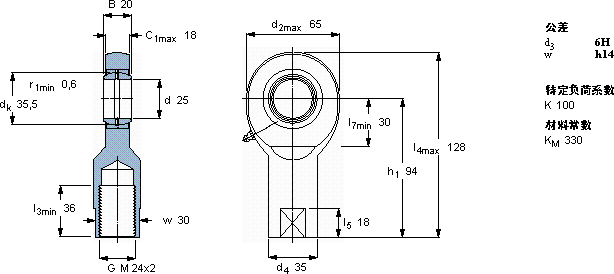
需要维护的杆端, 钢对钢,阴螺纹
主要数据尺寸角度倾的基本负荷额定值质量型号
动态静态杆端带右或左旋螺纹
dd2Bd3C1h1±CC0
6H
mm度数kNkg-
256520M 24x21894748900,65SIL 25 ES

SKF SIL 25 ES轴承尺寸图纸

李工:138-8949-5179

刘工:135-0428-8802

地址:辽宁省大连经济技术开发区现代城3栋-13-13号

在线客服系统