李工:138-8949-5179 刘工:135-0428-8802
型号查询
轴承型号   常见搜索: 6309轴承 6015轴承 22222轴承 6032轴承 3214轴承 6026轴承
型号查询 X

轴承专区

Bearings Center

2 x 7311 BEGAM *轴承-SKF 2 x 7311 BEGAM *轴承尺寸、图纸、价格

SKF 2 x 7311 BEGAM *轴承

产品名称:2 x 7311 BEGAM *轴承 品牌:SKF
类型:SKF轴承 > 滚动轴承 > 角接触球轴承
描述:2 x 7311 BEGAM *轴承是【SKF轴承 > 滚动轴承 > 角接触球轴承】的型号,主要用在飞机喷气式发动机、燃料喷射泵、减速装置、齿轮减速装置、木工机械、石油钻机、燃机、啤酒、给料机械、厨具设备等各大领域

 电话/微信:138-8949-5179

SKF 2 x 7311 BEGAM *轴承详细信息

2 x 7311 BEGAM *轴承是【SKF轴承 > 滚动轴承 > 角接触球轴承】的型号,主要用在飞机喷气式发动机、燃料喷射泵、减速装置、齿轮减速装置、木工机械、石油钻机、燃机、啤酒、给料机械、厨具设备等各大领域。

SKF 2 x 7311 BEGAM *轴承详细参数

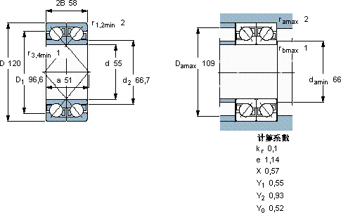
角接触球轴承, 单列,用于配对安装, 面对面配对
主要数据尺寸基本负荷额定值疲劳负荷限值额定速度体积型号轴承配对
动态静态参照速度限制速度
dD2BCC0Pu * - SKF Explorer 轴承
mmkNkNr/minkg--
55120581401205,1560070003,002 × 7311 BEGAM *DF

SKF 2 x 7311 BEGAM *轴承尺寸图纸

李工:138-8949-5179

刘工:135-0428-8802

地址:辽宁省大连经济技术开发区现代城3栋-13-13号

在线客服系统