轴承专区
Bearings Center
W 02轴承-SKF W 02轴承尺寸、图纸、价格
SKF W 02轴承
| 产品名称: | W 02轴承 | 品牌: | SKF |
|---|---|---|---|
| 类型: | SKF轴承 > 滚动轴承 > 轴承附件 | ||
| 描述: | W 02轴承是【SKF轴承 > 滚动轴承 > 轴承附件】的型号,主要用在各种产业机械、差速器小齿轮轴、桥式起重机、小齿轮轴、轧钢机齿轮箱座、机床主轴、发电厂、化纤机械、混凝土机械、雷达等各大领域 | ||
电话/微信:138-8949-5179
SKF W 02轴承详细信息
W 02轴承是【SKF轴承 > 滚动轴承 > 轴承附件】的型号,主要用在各种产业机械、差速器小齿轮轴、桥式起重机、小齿轮轴、轧钢机齿轮箱座、机床主轴、发电厂、化纤机械、混凝土机械、雷达等各大领域。
SKF W 02轴承详细参数
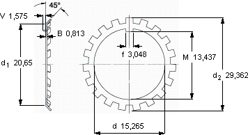
| W锁紧垫圈, 英制尺寸 | ||||||
| 尺寸 | 体积 | 型号 | ||||
| 锁紧垫圈 | 适宜的锁定螺母 | |||||
| d | d2 | B | ||||
| mm | kg | - | ||||
| 15,265 | 29,362 | 0,813 | 0,003 | W 02 | N 02 | |
SKF W 02轴承尺寸图纸

