李工:138-8949-5179 刘工:135-0428-8802
型号查询
轴承型号   常见搜索: 1轴承 6012轴承 6010轴承 6002轴承 6005轴承 6006轴承
型号查询 X

轴承专区

Bearings Center

6213/W64 *轴承-SKF 6213/W64 *轴承尺寸、图纸、价格

SKF 6213/W64 *轴承

产品名称:6213/W64 *轴承 品牌:SKF
类型:SKF轴承 > 滚动轴承 > 深沟球轴承
描述:6213/W64 *轴承是【SKF轴承 > 滚动轴承 > 深沟球轴承】的型号,主要用在各种产业机械、罗茨鼓风机、桥式起重机、建筑机械、各类产业用减速机、制铁制钢机械、发电厂、饮料设备、起重机械、冶金起重机等各大领域

 电话/微信:138-8949-5179

SKF 6213/W64 *轴承详细信息

6213/W64 *轴承是【SKF轴承 > 滚动轴承 > 深沟球轴承】的型号,主要用在各种产业机械、罗茨鼓风机、桥式起重机、建筑机械、各类产业用减速机、制铁制钢机械、发电厂、饮料设备、起重机械、冶金起重机等各大领域。

SKF 6213/W64 *轴承详细参数

深沟球轴承, 单列, 含Solid Oil, 无密封件
主要数据尺寸基本负荷额定值疲劳负荷限值限制速度体积型号
动态静态
dDBCC0Pu * - SKF Explorer 轴承
mmkNkNr/minkg-
651202358,540,51,7330000,996213/W64 *

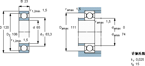
SKF 6213/W64 *轴承尺寸图纸

李工:138-8949-5179

刘工:135-0428-8802

地址:辽宁省大连经济技术开发区现代城3栋-13-13号

在线客服系统