轴承专区
Bearings Center
SI 35 ES-2RS轴承-SKF SI 35 ES-2RS轴承尺寸、图纸、价格
SKF SI 35 ES-2RS轴承
| 产品名称: | SI 35 ES-2RS轴承 | 品牌: | SKF |
|---|---|---|---|
| 类型: | SKF轴承 > 球面滑动轴承和杆端关节轴承 > 需维护的杆端关节轴承 | ||
| 描述: | SI 35 ES-2RS轴承是【SKF轴承 > 球面滑动轴承和杆端关节轴承 > 需维护的杆端关节轴承】的型号,主要用在各种产业机械、离心分离机、压缩机、变速器、印刷机械、石油钻机转环、发电厂、薄膜拉伸、凿岩机械、塔式车库等各大领域 | ||
电话/微信:138-8949-5179
SKF SI 35 ES-2RS轴承详细信息
SI 35 ES-2RS轴承是【SKF轴承 > 球面滑动轴承和杆端关节轴承 > 需维护的杆端关节轴承】的型号,主要用在各种产业机械、离心分离机、压缩机、变速器、印刷机械、石油钻机转环、发电厂、薄膜拉伸、凿岩机械、塔式车库等各大领域。
SKF SI 35 ES-2RS轴承详细参数
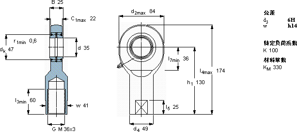
| 需要维护的杆端, 钢对钢,阴螺纹, 两面密封件 | |||||||||||
| 主要数据尺寸 | 角度倾的 | 基本负荷额定值 | 质量 | 型号 | |||||||
| 动态 | 静态 | 杆端带右或左旋螺纹 | |||||||||
| d | d2 | B | d3 | C1 | h1 | ± | C | C0 | |||
| 6H | |||||||||||
| mm | 度数 | kN | kg | - | |||||||
| 35 | 84 | 25 | M 36x3 | 22 | 130 | 6 | 80 | 134 | 1,40 | SI 35 ES-2RS | |
SKF SI 35 ES-2RS轴承尺寸图纸

