李工:138-8949-5179 刘工:135-0428-8802
型号查询
轴承型号   常见搜索: 6022轴承 688a轴承 6019轴承 6305轴承 6028轴承 6012轴承
型号查询 X

轴承专区

Bearings Center

2 x 7218 BECBP *轴承-SKF 2 x 7218 BECBP *轴承尺寸、图纸、价格

SKF 2 x 7218 BECBP *轴承

产品名称:2 x 7218 BECBP *轴承 品牌:SKF
类型:SKF轴承 > 滚动轴承 > 角接触球轴承
描述:2 x 7218 BECBP *轴承是【SKF轴承 > 滚动轴承 > 角接触球轴承】的型号,主要用在内燃机、机床主轴、纺织机械传动轴、汽车、轧钢机辊道子、耕耘机、挤压机、音像设备、地基处理机械、抓钢机等各大领域

 电话/微信:138-8949-5179

SKF 2 x 7218 BECBP *轴承详细信息

2 x 7218 BECBP *轴承是【SKF轴承 > 滚动轴承 > 角接触球轴承】的型号,主要用在内燃机、机床主轴、纺织机械传动轴、汽车、轧钢机辊道子、耕耘机、挤压机、音像设备、地基处理机械、抓钢机等各大领域。

SKF 2 x 7218 BECBP *轴承详细参数

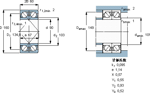
角接触球轴承, 单列,用于配对安装, 面对面配对
主要数据尺寸基本负荷额定值疲劳负荷限值额定速度体积型号轴承配对
动态静态参照速度限制速度
dD2BCC0Pu * - SKF Explorer 轴承
mmkNkNr/minkg--
90160601882088360048004,252 × 7218 BECBP *DF

SKF 2 x 7218 BECBP *轴承尺寸图纸

李工:138-8949-5179

刘工:135-0428-8802

地址:辽宁省大连经济技术开发区现代城3栋-13-13号

在线客服系统