李工:138-8949-5179 刘工:135-0428-8802
型号查询
轴承型号   常见搜索: 6909轴承 6016轴承 6024轴承 6032轴承 6304轴承 6006轴承
型号查询 X

轴承专区

Bearings Center

638/8-2Z轴承-SKF 638/8-2Z轴承尺寸、图纸、价格

SKF 638/8-2Z轴承

产品名称:638/8-2Z轴承 品牌:SKF
类型:SKF轴承 > 滚动轴承 > 深沟球轴承
描述:638/8-2Z轴承是【SKF轴承 > 滚动轴承 > 深沟球轴承】的型号,主要用在通用电动机、差速器小齿轮轴、提升机、小齿轮轴、各类产业用减速机、机床主轴、轧钢机轧制螺杆用减速机、精细化工机械、混凝土机械、刮泥机等各大领域

 电话/微信:138-8949-5179

SKF 638/8-2Z轴承详细信息

638/8-2Z轴承是【SKF轴承 > 滚动轴承 > 深沟球轴承】的型号,主要用在通用电动机、差速器小齿轮轴、提升机、小齿轮轴、各类产业用减速机、机床主轴、轧钢机轧制螺杆用减速机、精细化工机械、混凝土机械、刮泥机等各大领域。

SKF 638/8-2Z轴承详细参数

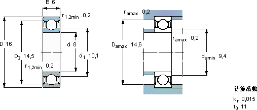
深沟球轴承, 单列, 两面防尘罩
主要数据尺寸基本负荷额定值疲劳负荷限值额定速度体积型号
动态静态参照速度限制速度
dDBCC0Pu
mmkNkNr/minkg-
81661,330,570,02490000450000,0043638/8-2Z

SKF 638/8-2Z轴承尺寸图纸

李工:138-8949-5179

刘工:135-0428-8802

地址:辽宁省大连经济技术开发区现代城3栋-13-13号

在线客服系统