李工:138-8949-5179 刘工:135-0428-8802
型号查询
轴承型号   常见搜索: 2025轴承 7014轴承 688a轴承 6020轴承 6030轴承 6011轴承
型号查询 X

轴承专区

Bearings Center

22332 CCK/W33 + H 2332 *轴承-SKF 22332 CCK/W33 + H 2332 *轴承尺寸、图纸、价格

SKF 22332 CCK/W33 + H 2332 *轴承

产品名称:22332 CCK/W33 + H 2332 *轴承 品牌:SKF
类型:SKF轴承 > 滚动轴承 > 球面滚子轴承
描述:22332 CCK/W33 + H 2332 *轴承是【SKF轴承 > 滚动轴承 > 球面滚子轴承】的型号,主要用在农业机械、燃料喷射泵、燃汽轮机、齿轮减速装置、轧钢机辊道子、石油钻机、钢铁厂、塑料、解体机、机场加油机等各大领域

 电话/微信:138-8949-5179

SKF 22332 CCK/W33 + H 2332 *轴承详细信息

22332 CCK/W33 + H 2332 *轴承是【SKF轴承 > 滚动轴承 > 球面滚子轴承】的型号,主要用在农业机械、燃料喷射泵、燃汽轮机、齿轮减速装置、轧钢机辊道子、石油钻机、钢铁厂、塑料、解体机、机场加油机等各大领域。

SKF 22332 CCK/W33 + H 2332 *轴承详细参数

球面滚子轴承, 带紧定套的
主要数据尺寸基本负荷额定值疲劳负荷限值额定速度体积型号
动态静态参照速度限制速度轴承 + 紧定套
d1DBCC0Pu
* - SKF Explorer 轴承
mmkNkNr/minkg-
140340114160019601601500190060,022332 CCK/W33 + H 2332 *

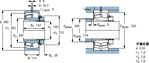
SKF 22332 CCK/W33 + H 2332 *轴承尺寸图纸

李工:138-8949-5179

刘工:135-0428-8802

地址:辽宁省大连经济技术开发区现代城3栋-13-13号

在线客服系统