李工:138-8949-5179 刘工:135-0428-8802
型号查询
轴承型号   常见搜索: 6001轴承 *轴承 6305轴承 6020轴承 6906轴承 6013轴承
型号查询 X

轴承专区

Bearings Center

SC 40 ES轴承-SKF SC 40 ES轴承尺寸、图纸、价格

SKF SC 40 ES轴承

产品名称:SC 40 ES轴承 品牌:SKF
类型:SKF轴承 > 球面滑动轴承和杆端关节轴承 > 需维护的杆端关节轴承
描述:SC 40 ES轴承是【SKF轴承 > 球面滑动轴承和杆端关节轴承 > 需维护的杆端关节轴承】的型号,主要用在各种产业机械、罗茨鼓风机、变速器、建筑机械、各类产业用减速机、石油钻机转环、发电厂、饮料设备、凿岩机械、冶金起重机等各大领域

 电话/微信:138-8949-5179

SKF SC 40 ES轴承详细信息

SC 40 ES轴承是【SKF轴承 > 球面滑动轴承和杆端关节轴承 > 需维护的杆端关节轴承】的型号,主要用在各种产业机械、罗茨鼓风机、变速器、建筑机械、各类产业用减速机、石油钻机转环、发电厂、饮料设备、凿岩机械、冶金起重机等各大领域。

SKF SC 40 ES轴承详细参数

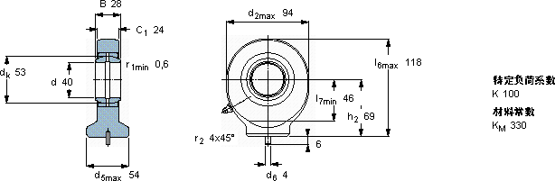
需要维护的杆端, 钢对钢,焊接柄
主要数据尺寸角度倾的基本负荷额定值质量型号
动态静态
dd2BC1h2±CC0
最大
mm度数kNkg-
409428246971001341,40SC 40 ES

SKF SC 40 ES轴承尺寸图纸

李工:138-8949-5179

刘工:135-0428-8802

地址:辽宁省大连经济技术开发区现代城3栋-13-13号

在线客服系统