李工:138-8949-5179 刘工:135-0428-8802
型号查询
轴承型号   常见搜索: 6019轴承 6305轴承 6005轴承 *轴承 2026轴承 6006轴承
型号查询 X

轴承专区

Bearings Center

2 x 7332 BCBM轴承-SKF 2 x 7332 BCBM轴承尺寸、图纸、价格

SKF 2 x 7332 BCBM轴承

产品名称:2 x 7332 BCBM轴承 品牌:SKF
类型:SKF轴承 > 滚动轴承 > 角接触球轴承
描述:2 x 7332 BCBM轴承是【SKF轴承 > 滚动轴承 > 角接触球轴承】的型号,主要用在燃汽轮机、离心分离机、桥式起重机、变速器、破碎机、制铁制钢机械、电机厂、精细化工机械、堆取料机、抓钢机等各大领域

 电话/微信:138-8949-5179

SKF 2 x 7332 BCBM轴承详细信息

2 x 7332 BCBM轴承是【SKF轴承 > 滚动轴承 > 角接触球轴承】的型号,主要用在燃汽轮机、离心分离机、桥式起重机、变速器、破碎机、制铁制钢机械、电机厂、精细化工机械、堆取料机、抓钢机等各大领域。

SKF 2 x 7332 BCBM轴承详细参数

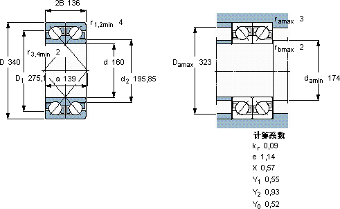
角接触球轴承, 单列,用于配对安装, 面对面配对
主要数据尺寸基本负荷额定值疲劳负荷限值额定速度体积型号轴承配对
动态静态参照速度限制速度
dD2BCC0Pu
mmkNkNr/minkg--
16034013657288023,61700240060,62 × 7332 BCBMDF

SKF 2 x 7332 BCBM轴承尺寸图纸

李工:138-8949-5179

刘工:135-0428-8802

地址:辽宁省大连经济技术开发区现代城3栋-13-13号

在线客服系统