李工:138-8949-5179 刘工:135-0428-8802
型号查询
轴承型号   常见搜索: 6015轴承 688a轴承 6016轴承 6024轴承 6005轴承 6013轴承
型号查询 X

轴承专区

Bearings Center

W 19轴承-SKF W 19轴承尺寸、图纸、价格

SKF W 19轴承

产品名称:W 19轴承 品牌:SKF
类型:SKF轴承 > 滚动轴承 > 轴承附件
描述:W 19轴承是【SKF轴承 > 滚动轴承 > 轴承附件】的型号,主要用在后轮、燃料喷射泵、中型及大型电动机、齿轮减速装置、造纸机械、石油钻机、水力发电机、化纤机械、给料机械、泥炮等各大领域

 电话/微信:138-8949-5179

SKF W 19轴承详细信息

W 19轴承是【SKF轴承 > 滚动轴承 > 轴承附件】的型号,主要用在后轮、燃料喷射泵、中型及大型电动机、齿轮减速装置、造纸机械、石油钻机、水力发电机、化纤机械、给料机械、泥炮等各大领域。

SKF W 19轴承详细参数

W锁紧垫圈, 英制尺寸
尺寸体积型号
锁紧垫圈适宜的锁定螺母
dd2B
mmkg-
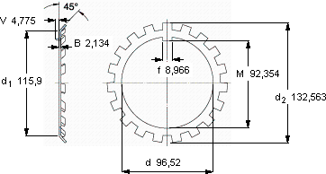
96,52132,5632,1340,082W 19AN 19

SKF W 19轴承尺寸图纸

李工:138-8949-5179

刘工:135-0428-8802

地址:辽宁省大连经济技术开发区现代城3栋-13-13号

在线客服系统