李工:138-8949-5179 刘工:135-0428-8802
型号查询
轴承型号   常见搜索: 6016轴承 6018轴承 6012轴承 617轴承 6004轴承 22222轴承
型号查询 X

轴承专区

Bearings Center

53320轴承-SKF 53320轴承尺寸、图纸、价格

SKF 53320轴承

产品名称:53320轴承 品牌:SKF
类型:SKF轴承 > 滚动轴承 > 推力球轴承
描述:53320轴承是【SKF轴承 > 滚动轴承 > 推力球轴承】的型号,主要用在内燃机、空气压缩机、压缩机、大型农业机械、铁路车辆车轴、汽车转向销、挤压机、烟草机械、土方机械、数控设备等各大领域

 电话/微信:138-8949-5179

SKF 53320轴承详细信息

53320轴承是【SKF轴承 > 滚动轴承 > 推力球轴承】的型号,主要用在内燃机、空气压缩机、压缩机、大型农业机械、铁路车辆车轴、汽车转向销、挤压机、烟草机械、土方机械、数控设备等各大领域。

SKF 53320轴承详细参数

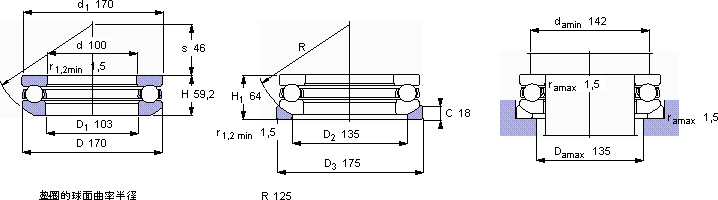
推力球轴承, 单向,带球面轴承座垫圈
主要数据尺寸基本负荷额定值疲劳负荷限值最小负荷系数额定速度体积 型号
动态静态参照速度限制速度轴承 +垫圈轴承基座垫圈
dDH1CC0PuA
mmkNkN-r/minkg-
1001706422961019,61,9140019005,9553320U 320

SKF 53320轴承尺寸图纸

李工:138-8949-5179

刘工:135-0428-8802

地址:辽宁省大连经济技术开发区现代城3栋-13-13号

在线客服系统