轴承专区
Bearings Center
SA 15 C轴承-SKF SA 15 C轴承尺寸、图纸、价格
SKF SA 15 C轴承
| 产品名称: | SA 15 C轴承 | 品牌: | SKF |
|---|---|---|---|
| 类型: | SKF轴承 > 球面滑动轴承和杆端关节轴承 > 免维护的杆端关节轴承 | ||
| 描述: | SA 15 C轴承是【SKF轴承 > 球面滑动轴承和杆端关节轴承 > 免维护的杆端关节轴承】的型号,主要用在后轮、空气压缩机、泵、大型农业机械、振动筛、耕耘机、水力发电机、精细化工机械、平地机、焊接机器人等各大领域 | ||
电话/微信:138-8949-5179
SKF SA 15 C轴承详细信息
SA 15 C轴承是【SKF轴承 > 球面滑动轴承和杆端关节轴承 > 免维护的杆端关节轴承】的型号,主要用在后轮、空气压缩机、泵、大型农业机械、振动筛、耕耘机、水力发电机、精细化工机械、平地机、焊接机器人等各大领域。
SKF SA 15 C轴承详细参数
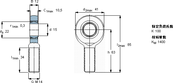
| 免维护杆端, 阳螺纹, 钢/烧结铜复合材料 | |||||||||||
| 主要数据尺寸 | 角度倾的 | 基本负荷额定值 | 质量 | 型号 | |||||||
| 动态 | 静态 | 轴承座完全与密封件 | |||||||||
| d | d2 | B | d3 | C1 | h | ± | C | C0 | |||
| 6g | |||||||||||
| mm | 度数 | kN | kg | - | |||||||
| 15 | 41 | 12 | M 14 | 10,5 | 63 | 8 | 18 | 34,5 | 0,13 | SA 15 C | |
SKF SA 15 C轴承尺寸图纸

