李工:138-8949-5179 刘工:135-0428-8802
型号查询
轴承型号   常见搜索: 6019轴承 6016轴承 6002轴承 6012轴承 6909轴承 688a轴承
型号查询 X

轴承专区

Bearings Center

6020 N *轴承-SKF 6020 N *轴承尺寸、图纸、价格

SKF 6020 N *轴承

产品名称:6020 N *轴承 品牌:SKF
类型:SKF轴承 > 滚动轴承 > 深沟球轴承
描述:6020 N *轴承是【SKF轴承 > 滚动轴承 > 深沟球轴承】的型号,主要用在飞机喷气式发动机、空气压缩机、挖土机履带轮、大型农业机械、铁路车辆车轴、汽车转向销、燃机、玩具、土方机械、钢包回转台等各大领域

 电话/微信:138-8949-5179

SKF 6020 N *轴承详细信息

6020 N *轴承是【SKF轴承 > 滚动轴承 > 深沟球轴承】的型号,主要用在飞机喷气式发动机、空气压缩机、挖土机履带轮、大型农业机械、铁路车辆车轴、汽车转向销、燃机、玩具、土方机械、钢包回转台等各大领域。

SKF 6020 N *轴承详细参数

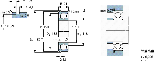
深沟球轴承, 单列,带止动环槽, 无密封件
主要数据尺寸基本负荷额定值疲劳负荷限值额定速度体积型号
动态静态参照速度限制速度轴承止动环
(R = 带止动环)
dDBCC0Pu * - SKF Explorer 轴承
mmkNkNr/minkg-
1001502463,7542,04950056001,256020 N *SP 150

SKF 6020 N *轴承尺寸图纸

李工:138-8949-5179

刘工:135-0428-8802

地址:辽宁省大连经济技术开发区现代城3栋-13-13号

在线客服系统