李工:138-8949-5179 刘工:135-0428-8802
型号查询
轴承型号   常见搜索: 3214轴承 7014轴承 6003轴承 6214轴承 6001轴承 6005轴承
型号查询 X

轴承专区

Bearings Center

609/530 MA轴承-SKF 609/530 MA轴承尺寸、图纸、价格

SKF 609/530 MA轴承

产品名称:609/530 MA轴承 品牌:SKF
类型:SKF轴承 > 滚动轴承 > 深沟球轴承
描述:609/530 MA轴承是【SKF轴承 > 滚动轴承 > 深沟球轴承】的型号,主要用在后轮、燃料喷射泵、汽车发动机、齿轮减速装置、铁路车辆车轴、起重机吊钩、水力发电机、洗染、强夯机、泥炮等各大领域

 电话/微信:138-8949-5179

SKF 609/530 MA轴承详细信息

609/530 MA轴承是【SKF轴承 > 滚动轴承 > 深沟球轴承】的型号,主要用在后轮、燃料喷射泵、汽车发动机、齿轮减速装置、铁路车辆车轴、起重机吊钩、水力发电机、洗染、强夯机、泥炮等各大领域。

SKF 609/530 MA轴承详细参数

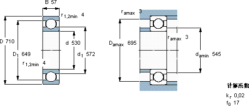
深沟球轴承, 单列, 无密封件
主要数据尺寸基本负荷额定值疲劳负荷限值额定速度体积型号
动态静态参照速度限制速度
dDBCC0Pu
mmkNkNr/minkg-
5307105742381513,71600130061,0609/530 MA

SKF 609/530 MA轴承尺寸图纸

李工:138-8949-5179

刘工:135-0428-8802

地址:辽宁省大连经济技术开发区现代城3栋-13-13号

在线客服系统