李工:138-8949-5179 刘工:135-0428-8802
型号查询
轴承型号   常见搜索: 6900轴承 6005轴承 6020轴承 23136轴承 6028轴承 6007轴承
型号查询 X

轴承专区

Bearings Center

RMS 14轴承-SKF RMS 14轴承尺寸、图纸、价格

SKF RMS 14轴承

产品名称:RMS 14轴承 品牌:SKF
类型:SKF轴承 > 滚动轴承 > 深沟球轴承
描述:RMS 14轴承是【SKF轴承 > 滚动轴承 > 深沟球轴承】的型号,主要用在变速器、印刷机械、提升机、轧钢机辊颈、各类产业用减速机、石油钻机转环、立式电动机、陶瓷机械、轻工机械、吹氧装置等各大领域

 电话/微信:138-8949-5179

SKF RMS 14轴承详细信息

RMS 14轴承是【SKF轴承 > 滚动轴承 > 深沟球轴承】的型号,主要用在变速器、印刷机械、提升机、轧钢机辊颈、各类产业用减速机、石油钻机转环、立式电动机、陶瓷机械、轻工机械、吹氧装置等各大领域。

SKF RMS 14轴承详细参数

深沟球轴承, 单列, 无密封件,带英制尺寸
主要数据尺寸基本负荷额定值疲劳负荷限值额定速度体积型号
动态静态参照速度限制速度
dDBCC0Pu
mmkNkNr/minkg-
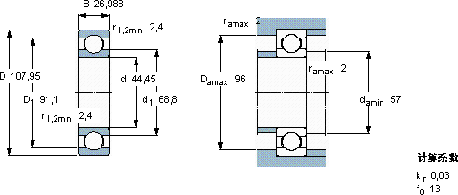
44,45107,9526,98861,8381,61200085001,15RMS 14仅对售后市场

SKF RMS 14轴承尺寸图纸

李工:138-8949-5179

刘工:135-0428-8802

地址:辽宁省大连经济技术开发区现代城3栋-13-13号

在线客服系统