李工:138-8949-5179 刘工:135-0428-8802
型号查询
轴承型号   常见搜索: 1轴承 32313轴承 6012轴承 6002轴承 6305轴承 6018轴承
型号查询 X

轴承专区

Bearings Center

SI 6 C轴承-SKF SI 6 C轴承尺寸、图纸、价格

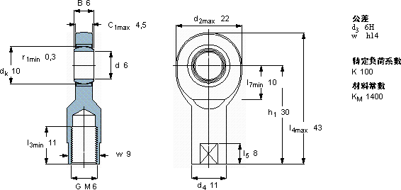
SKF SI 6 C轴承

产品名称:SI 6 C轴承 品牌:SKF
类型:SKF轴承 > 球面滑动轴承和杆端关节轴承 > 免维护的杆端关节轴承
描述:SI 6 C轴承是【SKF轴承 > 球面滑动轴承和杆端关节轴承 > 免维护的杆端关节轴承】的型号,主要用在变速器、各类变速器、发电机、铁路车辆、轧钢机齿轮箱座、机床主轴、立式电动机、化纤机械、挖掘机、机械手等各大领域

 电话/微信:138-8949-5179

SKF SI 6 C轴承详细信息

SI 6 C轴承是【SKF轴承 > 球面滑动轴承和杆端关节轴承 > 免维护的杆端关节轴承】的型号,主要用在变速器、各类变速器、发电机、铁路车辆、轧钢机齿轮箱座、机床主轴、立式电动机、化纤机械、挖掘机、机械手等各大领域。

SKF SI 6 C轴承详细参数

免维护杆端, 阴螺纹, 钢/烧结铜复合材料
主要数据尺寸角度倾的基本负荷额定值质量型号
动态静态轴承座完全与密封件
dd2Bd3C1h1±CC0
6H
mm度数kNkg-
6226M 64,530133,68,150,020SI 6 C

SKF SI 6 C轴承尺寸图纸

李工:138-8949-5179

刘工:135-0428-8802

地址:辽宁省大连经济技术开发区现代城3栋-13-13号

在线客服系统