轴承专区
Bearings Center
312-Z轴承-SKF 312-Z轴承尺寸、图纸、价格
SKF 312-Z轴承
| 产品名称: | 312-Z轴承 | 品牌: | SKF |
|---|---|---|---|
| 类型: | SKF轴承 > 滚动轴承 > 深沟球轴承 | ||
| 描述: | 312-Z轴承是【SKF轴承 > 滚动轴承 > 深沟球轴承】的型号,主要用在飞机喷气式发动机、燃料喷射泵、发电机、齿轮减速装置、造纸机械、石油钻机、燃机、精细化工机械、解体机、厨具设备等各大领域 | ||
电话/微信:138-8949-5179
SKF 312-Z轴承详细信息
312-Z轴承是【SKF轴承 > 滚动轴承 > 深沟球轴承】的型号,主要用在飞机喷气式发动机、燃料喷射泵、发电机、齿轮减速装置、造纸机械、石油钻机、燃机、精细化工机械、解体机、厨具设备等各大领域。
SKF 312-Z轴承详细参数
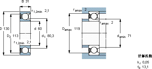
| 深沟球轴承, 单列,带装球缺口, 单面防尘罩 | ||||||||||
| 主要数据尺寸 | 基本负荷额定值 | 疲劳负荷限值 | 额定速度 | 体积 | 型号 | |||||
| 动态 | 静态 | 参照速度 | 限制速度 | |||||||
| d | D | B | C | C0 | Pu | |||||
| mm | kN | kN | r/min | kg | - | |||||
| 60 | 130 | 31 | 91,3 | 78 | 3,35 | 9500 | 6000 | 1,85 | 312-Z | |
SKF 312-Z轴承尺寸图纸

