李工:138-8949-5179 刘工:135-0428-8802
型号查询
轴承型号   常见搜索: 22222轴承 6022轴承 6024轴承 6015轴承 7014轴承 6020轴承
型号查询 X

轴承专区

Bearings Center

SIJ 16 ES轴承-SKF SIJ 16 ES轴承尺寸、图纸、价格

SKF SIJ 16 ES轴承

产品名称:SIJ 16 ES轴承 品牌:SKF
类型:SKF轴承 > 球面滑动轴承和杆端关节轴承 > 需维护的杆端关节轴承
描述:SIJ 16 ES轴承是【SKF轴承 > 球面滑动轴承和杆端关节轴承 > 需维护的杆端关节轴承】的型号,主要用在飞机喷气式发动机、空气压缩机、中型及大型电动机、大型农业机械、振动筛、耕耘机、燃机、破碎、平地机、钢包回转台等各大领域

 电话/微信:138-8949-5179

SKF SIJ 16 ES轴承详细信息

SIJ 16 ES轴承是【SKF轴承 > 球面滑动轴承和杆端关节轴承 > 需维护的杆端关节轴承】的型号,主要用在飞机喷气式发动机、空气压缩机、中型及大型电动机、大型农业机械、振动筛、耕耘机、燃机、破碎、平地机、钢包回转台等各大领域。

SKF SIJ 16 ES轴承详细参数

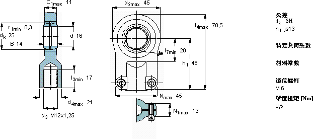
需要维护的杆端, 钢对钢,阴螺纹,用于液压滚筒
主要数据尺寸角度倾的基本负荷额定值质量型号
动态静态杆端带右旋螺纹
dd2Bd3C1h1±CC0
6H
mm度数kNkg-
164514M12x1,251148321,228,50,25SIJ 16 ES

SKF SIJ 16 ES轴承尺寸图纸

李工:138-8949-5179

刘工:135-0428-8802

地址:辽宁省大连经济技术开发区现代城3栋-13-13号

在线客服系统