李工:138-8949-5179 刘工:135-0428-8802
型号查询
轴承型号   常见搜索: 6028轴承 1轴承 6909轴承 3214轴承 688a轴承 6008轴承
型号查询 X

轴承专区

Bearings Center

RMS 10轴承-SKF RMS 10轴承尺寸、图纸、价格

SKF RMS 10轴承

产品名称:RMS 10轴承 品牌:SKF
类型:SKF轴承 > 滚动轴承 > 深沟球轴承
描述:RMS 10轴承是【SKF轴承 > 滚动轴承 > 深沟球轴承】的型号,主要用在变速器、高频马达、减速装置、前轮、各类产业用减速机、机床主轴、立式电动机、医药设备、混凝土机械、正面吊等各大领域

 电话/微信:138-8949-5179

SKF RMS 10轴承详细信息

RMS 10轴承是【SKF轴承 > 滚动轴承 > 深沟球轴承】的型号,主要用在变速器、高频马达、减速装置、前轮、各类产业用减速机、机床主轴、立式电动机、医药设备、混凝土机械、正面吊等各大领域。

SKF RMS 10轴承详细参数

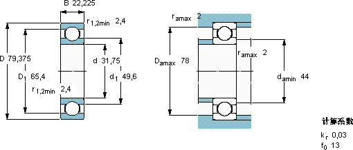
深沟球轴承, 单列, 无密封件,带英制尺寸
主要数据尺寸基本负荷额定值疲劳负荷限值额定速度体积型号
动态静态参照速度限制速度
dDBCC0Pu
mmkNkNr/minkg-
31,7579,37522,22533,2190,81517000120000,50RMS 10仅对售后市场

SKF RMS 10轴承尺寸图纸

李工:138-8949-5179

刘工:135-0428-8802

地址:辽宁省大连经济技术开发区现代城3栋-13-13号

在线客服系统