李工:138-8949-5179 刘工:135-0428-8802
型号查询
轴承型号   常见搜索: 6002轴承 6020轴承 6017轴承 6014轴承 22222轴承 6305轴承
型号查询 X

轴承专区

Bearings Center

7236 BCBM轴承-SKF 7236 BCBM轴承尺寸、图纸、价格

SKF 7236 BCBM轴承

产品名称:7236 BCBM轴承 品牌:SKF
类型:SKF轴承 > 滚动轴承 > 角接触球轴承
描述:7236 BCBM轴承是【SKF轴承 > 滚动轴承 > 角接触球轴承】的型号,主要用在后轮、燃料喷射泵、挖土机履带轮、齿轮减速装置、铁路车辆车轴、起重机吊钩、水力发电机、电子、强夯机、泥炮等各大领域

 电话/微信:138-8949-5179

SKF 7236 BCBM轴承详细信息

7236 BCBM轴承是【SKF轴承 > 滚动轴承 > 角接触球轴承】的型号,主要用在后轮、燃料喷射泵、挖土机履带轮、齿轮减速装置、铁路车辆车轴、起重机吊钩、水力发电机、电子、强夯机、泥炮等各大领域。

SKF 7236 BCBM轴承详细参数

角接触球轴承, 单列
主要数据尺寸尺寸 [英寸]疲劳负荷限值额定速度体积型号
动态静态参照速度限制速度
dDBCC0Pu
mmkNkNr/minkg-
18032052291375102200240017,67236 BCBM

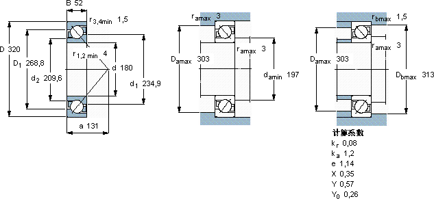
SKF 7236 BCBM轴承尺寸图纸

李工:138-8949-5179

刘工:135-0428-8802

地址:辽宁省大连经济技术开发区现代城3栋-13-13号

在线客服系统