李工:138-8949-5179 刘工:135-0428-8802
型号查询
轴承型号   常见搜索: 6017轴承 6006轴承 71913轴承 6214轴承 6008轴承 6013轴承
型号查询 X

轴承专区

Bearings Center

604轴承-SKF 604轴承尺寸、图纸、价格

SKF 604轴承

产品名称:604轴承 品牌:SKF
类型:SKF轴承 > 滚动轴承 > 深沟球轴承
描述:604轴承是【SKF轴承 > 滚动轴承 > 深沟球轴承】的型号,主要用在各种产业机械、离心分离机、木工机械、变速器、印刷机械、制铁制钢机械、发电厂、电子、起重机械、塔式车库等各大领域

 电话/微信:138-8949-5179

SKF 604轴承详细信息

604轴承是【SKF轴承 > 滚动轴承 > 深沟球轴承】的型号,主要用在各种产业机械、离心分离机、木工机械、变速器、印刷机械、制铁制钢机械、发电厂、电子、起重机械、塔式车库等各大领域。

SKF 604轴承详细参数

深沟球轴承, 单列, 无密封件
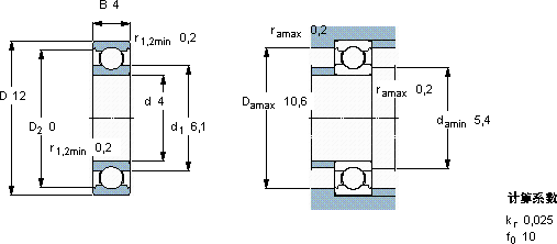
主要数据尺寸基本负荷额定值疲劳负荷限值额定速度体积型号
动态静态参照速度限制速度
dDBCC0Pu
mmkNkNr/minkg-
41240,8060,280,012120000750000,0021604

SKF 604轴承尺寸图纸

李工:138-8949-5179

刘工:135-0428-8802

地址:辽宁省大连经济技术开发区现代城3栋-13-13号

在线客服系统