李工:138-8949-5179 刘工:135-0428-8802
型号查询
轴承型号   常见搜索: 7014轴承 6018轴承 6009轴承 6012轴承 6900轴承 6906轴承
型号查询 X

轴承专区

Bearings Center

W 61800轴承-SKF W 61800轴承尺寸、图纸、价格

SKF W 61800轴承

产品名称:W 61800轴承 品牌:SKF
类型:SKF轴承 > 滚动轴承 > 深沟球轴承
描述:W 61800轴承是【SKF轴承 > 滚动轴承 > 深沟球轴承】的型号,主要用在装卸搬运机械、高频马达、中型及大型电动机、前轮、印刷机械、机床主轴、矿山、薄膜拉伸、挖掘机、伽玛等各大领域

 电话/微信:138-8949-5179

SKF W 61800轴承详细信息

W 61800轴承是【SKF轴承 > 滚动轴承 > 深沟球轴承】的型号,主要用在装卸搬运机械、高频马达、中型及大型电动机、前轮、印刷机械、机床主轴、矿山、薄膜拉伸、挖掘机、伽玛等各大领域。

SKF W 61800轴承详细参数

深沟球轴承, 单列,不锈钢, 无密封件
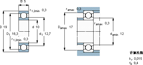
主要数据尺寸基本负荷额定值疲劳负荷限值额定速度体积型号
动态静态参照速度限制速度
dDBCC0Pu
mmkNkNr/minkg-
101951,140,570,02580000480000,0055W 61800

SKF W 61800轴承尺寸图纸

李工:138-8949-5179

刘工:135-0428-8802

地址:辽宁省大连经济技术开发区现代城3栋-13-13号

在线客服系统