轴承专区
Bearings Center
QJ 344 N2MA轴承-SKF QJ 344 N2MA轴承尺寸、图纸、价格
SKF QJ 344 N2MA轴承
| 产品名称: | QJ 344 N2MA轴承 | 品牌: | SKF |
|---|---|---|---|
| 类型: | SKF轴承 > 滚动轴承 > 角接触球轴承 | ||
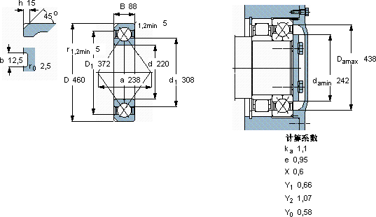
| 描述: | QJ 344 N2MA轴承是【SKF轴承 > 滚动轴承 > 角接触球轴承】的型号,主要用在农业机械、油泵、泵、机床主轴、木工机械、石油钻机、钢铁厂、陶瓷机械、解体机、太阳能发电设备等各大领域 | ||
电话/微信:138-8949-5179
SKF QJ 344 N2MA轴承详细信息
QJ 344 N2MA轴承是【SKF轴承 > 滚动轴承 > 角接触球轴承】的型号,主要用在农业机械、油泵、泵、机床主轴、木工机械、石油钻机、钢铁厂、陶瓷机械、解体机、太阳能发电设备等各大领域。
SKF QJ 344 N2MA轴承详细参数
| 角接触球轴承, 四点接触球轴承 | ||||||||||
| 主要数据尺寸 | 基本负荷额定值 | 疲劳负荷限值 | 额定速度 | 体积 | 型号 | |||||
| 动态 | 静态 | 参照速度 | 限制速度 | |||||||
| d | D | B | C | C0 | Pu | |||||
| mm | kN | kN | r/min | kg | - | |||||
| 220 | 460 | 88 | 780 | 1400 | 32 | 1500 | 2400 | 78,0 | QJ 344 N2MA | |
SKF QJ 344 N2MA轴承尺寸图纸

