李工:138-8949-5179 刘工:135-0428-8802
型号查询
轴承型号   常见搜索: 6017轴承 6016轴承 6002轴承 6008轴承 688a轴承 23136轴承
型号查询 X

轴承专区

Bearings Center

61815-2RZ轴承-SKF 61815-2RZ轴承尺寸、图纸、价格

SKF 61815-2RZ轴承

产品名称:61815-2RZ轴承 品牌:SKF
类型:SKF轴承 > 滚动轴承 > 深沟球轴承
描述:61815-2RZ轴承是【SKF轴承 > 滚动轴承 > 深沟球轴承】的型号,主要用在后轮、燃料喷射泵、泵、齿轮减速装置、振动筛、起重机吊钩、水力发电机、饮料设备、强夯机、泥炮等各大领域

 电话/微信:138-8949-5179

SKF 61815-2RZ轴承详细信息

61815-2RZ轴承是【SKF轴承 > 滚动轴承 > 深沟球轴承】的型号,主要用在后轮、燃料喷射泵、泵、齿轮减速装置、振动筛、起重机吊钩、水力发电机、饮料设备、强夯机、泥炮等各大领域。

SKF 61815-2RZ轴承详细参数

深沟球轴承, 单列, 低摩擦两面密封件
主要数据尺寸基本负荷额定值疲劳负荷限值额定速度体积型号
动态静态参照速度限制速度
dDBCC0Pu
mmkNkNr/minkg-
75951012,714,30,611400070000,1561815-2RZ

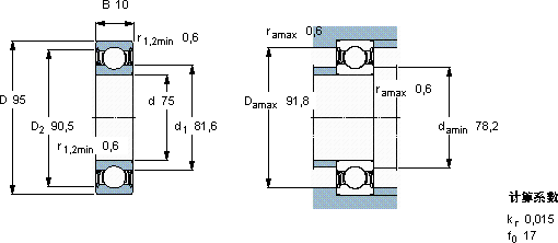
SKF 61815-2RZ轴承尺寸图纸

李工:138-8949-5179

刘工:135-0428-8802

地址:辽宁省大连经济技术开发区现代城3栋-13-13号

在线客服系统