李工:138-8949-5179 刘工:135-0428-8802
型号查询
轴承型号   常见搜索: 6010轴承 6008轴承 6030轴承 6016轴承 3214轴承 6304轴承
型号查询 X

轴承专区

Bearings Center

53414 M轴承-SKF 53414 M轴承尺寸、图纸、价格

SKF 53414 M轴承

产品名称:53414 M轴承 品牌:SKF
类型:SKF轴承 > 滚动轴承 > 推力球轴承
描述:53414 M轴承是【SKF轴承 > 滚动轴承 > 推力球轴承】的型号,主要用在建筑机械、罗茨鼓风机、压缩机、建筑机械、各类产业用减速机、制铁制钢机械、成形机、破碎、堆取料机、泥炮等各大领域

 电话/微信:138-8949-5179

SKF 53414 M轴承详细信息

53414 M轴承是【SKF轴承 > 滚动轴承 > 推力球轴承】的型号,主要用在建筑机械、罗茨鼓风机、压缩机、建筑机械、各类产业用减速机、制铁制钢机械、成形机、破碎、堆取料机、泥炮等各大领域。

SKF 53414 M轴承详细参数

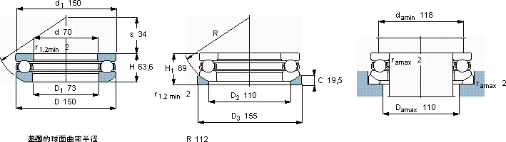
推力球轴承, 单向,带球面轴承座垫圈
主要数据尺寸基本负荷额定值疲劳负荷限值最小负荷系数额定速度体积 型号
动态静态参照速度限制速度轴承 +垫圈轴承基座垫圈
dDH1CC0PuA
mmkNkN-r/minkg-
701506923455019,31,6140020006,5053414 MU 414

SKF 53414 M轴承尺寸图纸

李工:138-8949-5179

刘工:135-0428-8802

地址:辽宁省大连经济技术开发区现代城3栋-13-13号

在线客服系统